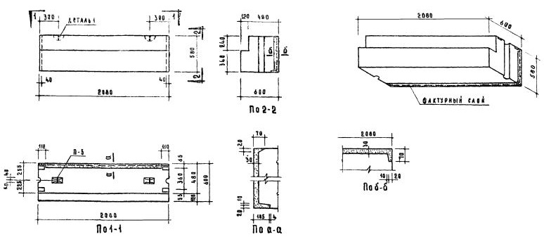
НБ-21.6.6

Чертеж изделия:
Чертеж НБ-21.6.6
Характеристики изделия:
ПараметрЗначение
Длина2080 мм
Ширина600 мм
Высота580 мм
Масса1295 кг
Нормативный документСерия 1.133-1

Стеновые легкобетонные блоки толщиной 60 см по Серии 1.133-1.

НБ-21.6.6   Поясной блок.