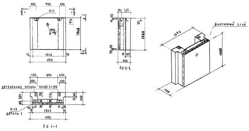
НБО-12.11.4

Чертеж изделия:
Чертеж НБО-12.11.4
Характеристики изделия:
ПараметрЗначение
Длина1190 мм
Ширина400 мм
Высота1060 мм
Масса575 кг
Нормативный документСерия 1.133-1

Стеновые легкобетонные блоки толщиной 40 см по Серии 1.133-1.

НБО-12.11.4  Подоконный блок.