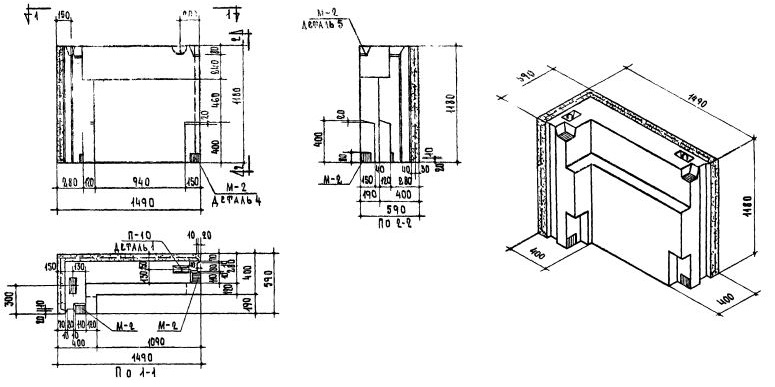
НБПУ-15.12.4

Чертеж изделия:
Чертеж НБПУ-15.12.4
Характеристики изделия:
ПараметрЗначение
Длина1490 мм
Ширина590 мм
Высота1180 мм
Масса1405 кг
Нормативный документСерия 1.133-1

Стеновые легкобетонные блоки толщиной 40 см по Серии 1.133-1.

НБПУ-15.12.4  Парапетный блок угловой.